Açıklama
EMC Tip Metal Somunlar, elektromanyetik girişim (EMI) ve radyo frekans paraziti (RFI) etkilerini önlemek için özel olarak tasarlanmış bağlantı elemanlarıdır.
Dayanıklı nikel kaplı pirinç veya AISI 303 / 316L paslanmaz çelik seçenekleriyle sunulur.
🔩 Bağlantı standardı: Metrik (EN 60423) ve PG (DIN 40430).
⚡ EMC uyumlu yapı, elektriksel iletkenliği artırır ve elektromanyetik koruma sağlar.
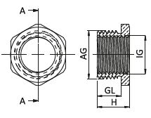
🧰 Altıköşe form, montajda anahtar ile kolay sıkma ve sökme imkânı sunar.
🌊 Korozyon direnci, dış ortam koşullarında uzun ömürlü kullanım sağlar.
⚙️ Kullanım amacı: kablo rakorlarını sıkı hale getirmek, EMC korumasını güçlendirmek ve güvenli bağlantı sağlamak.
Bu ürün, otomasyon sistemleri, endüstriyel panolar, haberleşme ekipmanları, askeri uygulamalar ve elektronik cihaz korumaları gibi alanlarda tercih edilir.
⚙️ Teknik Özellikler
| Özellik | Değer |
|---|---|
| Altıköşe Somun | Nikel Kaplı Pirinç / Paslanmaz Çelik (AISI 303 / 316L) |
| Bağlantı Dişi | Metrik (EN 60423) / PG (DIN 40430) |
| Özellikler | EMC koruma, kablo rakorunu sıkı hale getirme, yüksek mekanik dayanım |
| Avantajlar | Yüksek iletkenlik, korozyon direnci, uzun ömür, güvenli montaj |
📏 Metrik Ölçüler
| Diş | Pirinç Kod | Paslanmaz Kod | H (mm) | S (mm) | Wrench (mm) |
|---|---|---|---|---|---|
| M12 x 1,5 | OMBLT 01 | OMSLT 01 | 3,3 | 0,5 | 15 |
| M16 x 1,5 | OMBLT 02 | OMSLT 02 | 3,5 | 0,5 | 19 |
| M20 x 1,5 | OMBLT 03 | OMSLT 03 | 3,5 | 0,5 | 24 |
| M25 x 1,5 | OMBLT 04 | OMSLT 04 | 3,5 | 0,5 | 30 |
| M32 x 1,5 | OMBLT 05 | OMSLT 05 | 4 | 0,5 | 36 |
| M40 x 1,5 | OMBLT 06 | OMSLT 06 | 4,6 | 0,6 | 45 |
| M50 x 1,5 | OMBLT 07 | OMSLT 07 | 5,6 | 0,6 | 55 |
| M63 x 1,5 | OMBLT 08 | OMSLT 08 | 6,7 | 0,7 | 70 |
| M75 x 1,5 | OMBLT 09 | OMSLT 09 | 8 | 1 | 85 |
🔩 PG Ölçüler
| PG | Pirinç Kod | Paslanmaz Kod | H (mm) | S (mm) | Wrench (mm) |
|---|---|---|---|---|---|
| PG 7 | OPBLT 01 | OPSLT 01 | 3,3 | 0,5 | 15 |
| PG 9 | OPBLT 02 | OPSLT 02 | 3,3 | 0,5 | 18 |
| PG 11 | OPBLT 03 | OPSLT 03 | 3,5 | 0,5 | 21 |
| PG 13,5 | OPBLT 04 | OPSLT 04 | 3,5 | 0,5 | 23 |
| PG 16 | OPBLT 05 | OPSLT 05 | 3,5 | 0,5 | 26 |
| PG 21 | OPBLT 06 | OPSLT 06 | 4 | 0,5 | 32 |
| PG 29 | OPBLT 07 | OPSLT 07 | 4,6 | 0,6 | 40 |
| PG 36 | OPBLT 08 | OPSLT 08 | 5,6 | 0,6 | 50 |
| PG 42 | OPBLT 09 | OPSLT 09 | 5,6 | 0,6 | 60 |
| PG 48 | OPBLT 10 | OPSLT 10 | 6,1 | 0,6 | 65 |





